Lompat ke konten Lompat ke sidebar Lompat ke footer

Ahu Singkatan Dari: Apa Itu Dan Bagaimana Fungsinya?

Cara Nak Mengecek Nomer Yayasan Di Kementerian Hukum Dan Ham

Halo, selamat datang di artikel ini! Pada kesempatan kali ini, kita akan membahas tentang AHU. Mungkin Anda pernah mendengar istilah ini, tetapi belum sepenuhnya memahami apa yang sebenarnya dimaksud dengan AHU. Jangan khawatir, dalam artikel ini kita akan menjelaskan secara lengkap apa itu AHU dan bagaimana fungsinya.

AHU: Apa Itu?

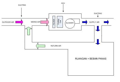
AHU merupakan singkatan dari Air Handling Unit. Secara sederhana, AHU adalah perangkat yang bertanggung jawab untuk mengatur dan memproses udara di dalam sebuah bangunan. AHU biasanya terdiri dari beberapa komponen seperti filter udara, pemanas, pendingin, pengatur kelembaban udara, dan sistem pengaturan aliran udara.

Fungsi AHU

Salah satu fungsi utama AHU adalah untuk menyediakan udara bersih dan segar di dalam ruangan. Melalui filter udara yang ada pada AHU, udara luar akan disaring sehingga debu, kotoran, dan partikel-partikel lainnya tidak masuk ke dalam ruangan. Hal ini penting untuk menjaga kualitas udara di dalam ruangan agar tetap sehat dan nyaman untuk dihuni.

Selain itu, AHU juga berperan dalam mengatur suhu udara di dalam ruangan. Pemanas yang terdapat pada AHU akan memanaskan udara ketika suhu di dalam ruangan terlalu rendah, sedangkan pendingin akan mendinginkan udara ketika suhu di dalam ruangan terlalu tinggi. Dengan demikian, AHU membantu menciptakan kondisi udara yang nyaman sesuai dengan kebutuhan penghuni bangunan.

Kelembaban udara juga merupakan faktor penting yang perlu diatur dalam sebuah bangunan. Terlalu tinggi atau rendahnya kelembaban udara dapat menyebabkan masalah kesehatan dan kerusakan pada benda-benda di dalam ruangan. AHU dilengkapi dengan sistem pengatur kelembaban udara yang dapat menjaga kelembaban udara di dalam ruangan tetap dalam batas yang aman dan nyaman.

Komponen Utama AHU

Sebagai perangkat yang kompleks, AHU terdiri dari beberapa komponen utama yang bekerja sama untuk menjalankan fungsinya. Beberapa komponen tersebut antara lain:

- Filter Udara: Komponen ini bertugas menyaring udara luar sebelum masuk ke dalam ruangan. Filter udara akan menahan debu, serbuk, dan partikel-partikel lainnya agar tidak terhirup oleh penghuni ruangan.

- Pemanas: Komponen ini berfungsi untuk memanaskan udara ketika suhu di dalam ruangan terlalu rendah. Pemanas dapat berupa pemanas listrik atau pemanas dengan menggunakan bahan bakar tertentu.

- Pendingin: Komponen ini bekerja sebaliknya dengan pemanas, yaitu untuk mendinginkan udara ketika suhu di dalam ruangan terlalu tinggi. Pendingin biasanya berupa sistem AC atau chiller.

- Pengatur Kelembaban: Komponen ini berperan dalam mengatur kelembaban udara di dalam ruangan. Pengatur kelembaban dapat menggunakan humidifier untuk menambah kelembaban atau dehumidifier untuk mengurangi kelembaban udara.

- Sistem Pengaturan Aliran Udara: Komponen ini bertugas mengatur aliran udara yang masuk ke dalam ruangan. Dengan sistem pengaturan aliran udara yang baik, udara dapat beredar dengan baik di dalam ruangan sehingga kualitas udara tetap terjaga.

Kesimpulan

Sekarang Anda sudah mengetahui apa itu AHU dan bagaimana fungsinya. AHU merupakan perangkat penting dalam menjaga kualitas udara di dalam bangunan. Dengan menggunakan AHU, udara di dalam ruangan dapat disaring, dipanaskan atau didinginkan, serta diatur kelembaban dan aliran udaranya. Semua itu bertujuan untuk menciptakan kondisi udara yang nyaman dan sehat bagi penghuni ruangan. Jadi, AHU memainkan peran penting dalam menciptakan lingkungan yang nyaman dan produktif di dalam sebuah bangunan.

Terima kasih telah membaca artikel ini. Semoga informasi tentang AHU ini bermanfaat bagi Anda.

Verification: abec7d942cfb287d